Qingdao Jeekuu hardware Products Co., Ltd. production and sales of bolts、nuts、Washers  、Screws、Drilling Screws...... Custom non-standard fasteners. Tel: 15154239969 Email: 13306482520@163.com

PRODUCT DETAILS

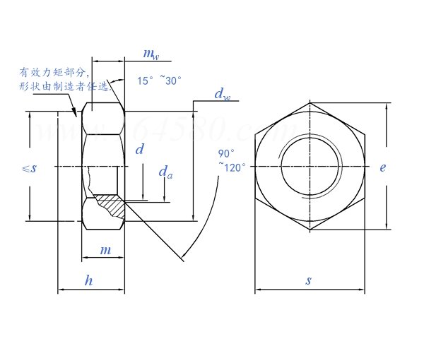
Thread size dM3M4M5M6M7M8M10M12M14M16M18
PPitchCoarse teeth0.50.70.8111.251.51.75222.5
Fine tooth1/////111.51.51.52
Fine tooth2//////1.251.25//1.5
daMinimum value3456781012141618
Maximum value3.454.65.756.757.758.7510.81315.117.319.5
dwMinimum value4.65.96.98.99.611.615.617.420.522.524.9
eMinimum value6.017.668.7911.0512.1214.3818.921.124.4926.7529.56
hMaximum value=nominal45567.581012141618.5
Minimum value3.74.74.75.77.147.649.6411.5713.315.317.66
mMinimum value2.42.93.244.75.56.589.510.513
mwMinimum value1.652.22.753.33.854.45.56.67.78.89.9
sMaximum value=nominal5.5781011131719222427
Minimum value5.326.787.789.7810.7312.7316.7318.6721.6723.6726.16
Thousand pieces weight  kg0.511.42.435.110.617.2263445
Thread size dM20M22M24M27M30M33M36M39M42M45M48
PPitchCoarse teeth2.52.5333.53.5444.54.55
Fine tooth122222233333
Fine tooth21.51.5/////////
daMinimum value2022242730333639424548
Maximum value21.623.725.929.132.435.638.942.145.448.651.8
dwMinimum value27.729.533.23842.746.651.155.960.664.769.4
eMinimum value32.9535.0339.5545.250.8555.3760.7966.4472.0976.9582.6
hMaximum value=nominal2022242730333639424548
Minimum value18.720.722.725.728.731.434.437.440.443.446.4
mMinimum value1415151719222527293236
mwMinimum value1112.213.214.816.518.219.821.523.124.826.5
sMaximum value=nominal3032364146505560657075
Minimum value29.16313540454953.858.863.868.173.1
Thousand pieces weight  kg6575100162212317415499628771998

① Product level:

≤ M 16: Class A

>M 16: Class B

② , Material:

Steel, performance grade: ≤ M39:5, 6 *, 8, 10;> M39: According to the protocol. Standard DIN 267-4

*For fine thread nuts only

Insert material, such as nylon

INQUIRY NOW

0

13306482520@163.com

erweima
erweima

133-0648-2520